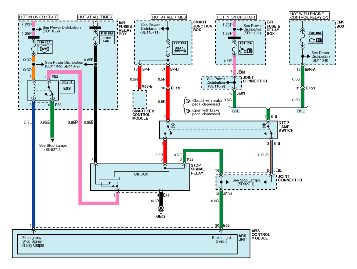
| Circuit Diagram - ABS (1) |

| Circuit Diagram - ABS (2) |

| Circuit Diagram - ABS (3) |


|
Wire No. |
Designation |
Current |
max.permissible wire resistance R_L (mΩ) |
|
|
max |
min |
|||
|
13 |
Ground for recirculation pump |
39 A |
10 A |
- |
|
38 |
Ground for solenoid valves and ECU |
15 A |
2 A |
- |
|
1 |
Voltage supply for pump motor |
39 A |
10 A |
- |
|
25 |
Voltage supply for solenoid valves |
15 A |
2 A |
- |
|
32 |
Voltage for hybrid ECU |
1 A |
500 mA |
60 |
|
22,6,20,31 |
signal wheel speed sensor FL, FR, RL,RR |
16.8 mA |
5.9 mA |
250 |
|
34,18,33,19 |
Voltage supply for the active wheel speed sensor FL,FR, RL, RR |
16.8 mA |
5.9 mA |
250 |
|
30 |
Brake light switch (Signal) |
10 mA |
5 mA |
250 |
|
14 |
CAN Low |
30 mA |
20 mA |
250 |
|
26 |
CAN High |
30 mA |
20 mA |
250 |
|
27 |
Wheel speed sensor output |
Open Drain |
- |
- |
|
Connector terminal |
Specification |
Condition |
|
|
Number |
Description |
||
|
13 |
Ground for recirculation pump |
Current range: Min.10A Max. 39A |
Always |
|
38 |
Ground for solenoid valves and ECU |
Current range: Min.2A Max. 15A |
Always |
|
1 |
Voltage supply for pump motor |
Battery voltage |
Always |
|
25 |
Voltage supply for solenoid valves |
||
|
34 |
Voltage supply for the active wheel speed sensor FL,FR, RL, RR |
Battery voltage |
IG On |
|
18 |
|||
|
33 |
|||
|
19 |
|||
|
22 |
signal wheel speed sensor FL, FR, RL,RR |
Voltage(High) : 0.26 ~ 0.37 V Voltage (Low) : 0.13 ~ 0.18 V |
On driving |
|
6 |
|||
|
20 |
|||
|
31 |
|||
|
32 |
Voltage for hybrid ECU |
Battery voltage |
KEY ON/OFF |
|
30 |
Brake light switch |
Voltage (High) ≥ 4.5 * IG ON Voltage (Low) ≤ 2.0 * IG ON |
Brake On/Off |
|
|
Description |
Abbreviation |
Unit |
Remarks |
|
1 |
Vehicle speed sensor |
VEH. SPD |
Km/h |
|
|
2 |
Battery voltage |
BATT. VOL |
V |
|
|
3 |
FL Wheel speed sensor |
FL WHEEL |
Km/h |
|
|
4 |
FR Wheel speed sensor |
FR WHEEL |
Km/h |
|
|
5 |
RL Wheel speed sensor |
RL WHEEL |
Km/h |
|
|
6 |
RR Wheel speed sensor |
RR WHEEL |
Km/h |
|
|
7 |
ABS Warning lamp |
ABS LAMP |
- |
|
|
8 |
EBD Warning lamp |
EBD LAMP |
- |
|
|
9 |
Brake Lamp |
B/LAMP |
- |
|
|
10 |
Pump relay state |
PUMP RLY |
- |
|
|
11 |
Valve relay state |
VALVE RLY |
- |
|
|
12 |
Motor |
MOTOR |
- |
|
|
13 |
Front Left valve(IN) |
FL INLET |
- |
|
|
14 |
Front Right valve (IN) |
FR INLET |
- |
|
|
15 |
Rear Left valve (IN) |
RL INLET |
- |
|
|
16 |
Rear Right valve (IN) |
RR INLET |
- |
|
|
17 |
Front Left valve (OUT) |
FL OUTLET |
- |
|
|
18 |
Front Right valve (OUT) |
FR OUTLET |
- |
|
|
19 |
Rear Left valve(OUT) |
RL OUTLET |
- |
|
|
20 |
Rear Right valve (OUT) |
RR OUTLET |
- |
|
Description and operation
TroubleshootingFord Escape 2020-2025 Owners Manual: Instrument Cluster Indicators
Indicators notify you of various features
that are active on your vehicle.
Adaptive Cruise Control.
Automatic High Beam Control.
Auto Hold
Auto-Start-Stop
Blind Spot Monitor
Cruise Control
EV Charge
EV Later
EV Now
Front Airbag
Front Fog Lamps
High Beam
Lamps On
Ready to Drive
St ...
Ford Escape 2020-2025 Owners Manual: Pre-Collision Assist – Troubleshooting
Pre-Collision Assist – Information Messages
Pre-Collision Assist – Frequently Asked Questions
Camera Troubleshooting
The windshield in front of the camera
is dirty or obstructed.
Clean the outside of the windshield in
front of the camera.
The windshield in front of the camera
is clean, but t ...