Kia Cee'd: ABS(Anti-Lock Brake System) / Description and operation
This specification applies to HCU(Hydraulic Control Unit) and ECU(Electronic
Control Unit) of the HECU.(Hydraulic and Electronic Control Unit)
This specification is for the wiring design and installation of ABS ECU.
This unit has the functions as follows.
| – |
Input of signal from the wheel speed sensors attached to each wheel.
|
| – |
Control of braking force.
|
| – |
Self diagnosis function.
|
| – |
Interface with the external diagnosis tester.
|
Installation Position : Engine Compartment
| – |
Brake tube length from Master cylinder port to HECU inlet port should
be max. 1m
|
| – |
The position should not be close to the engine block and not lower than
the wheel.
|
Operation
The ECU shall be put into operation by switching on the operating voltage (IGN).
On completion of the initialization phase, the ECU shall be ready for operation.
In the operating condition, the ECU shall be ready, within the specified limits
(voltage and temperature), to process the signals offered by the various sensors
and switches in accordance with the control algorithm defined by the software
and to control the hydraulic and electrical actuators.
Wheel Sensor Signal Processing
The ECU shall receive wheel speed signal from the four active wheel sensors.
The wheel signals are converted to voltage signal by the signal conditioning
circuit after receiving current signal from active wheel sensors and given as
input to the MCU.
Solenoid Valve Control
When one side of the valve coil is connected to the positive voltage that is
provided through the valve relay and the other side is connected to the ground
by the semiconductor circuit, the solenoid valve goes into operation.
The electrical function of the coils are always monitored by the valve test
pulse under normal operation conditions.
Voltage Limits
| – |
Overvoltage
When overvoltage is detected(above 16.8 V), the ECU switches off the
valve relay and shuts down the system.
When voltage is returned to operating range, the system goes back to
the normal condition after the initialization phase.
|
| – |
Undervoltage
In the event of undervoltage(below 9.3 V), ABS control shall be inhibited
and the warning lamp shall be turned on.
When voltage is returned to operating range, the warning lamp is switched
off and ECU returns to normal operating mode.
|
Pump Motor Checking
The ECU performs a pump motor test at a speed of 30km/h once after IGN is switched
on.
Diagnostic Interface
Failures detected by the ECU are encoded on the ECU, stored in a EEPROM and
read out by diagnostic equipment when the ignition switch is turned on.
The diagnosis interface can also be used for testing the ECU during production
of the ECU and for actuating the HCU (Air-bleeding line or Roll and Brake Test
line).
Warning Lamp Module

| 1. |
ABS Warning Lamp
The active ABS warning lamp indicates the selftest and failure status
of the ABS. The ABS warning lamp shall be on:
| – |
During the initialization phase after IGN ON. (continuously
3 seconds).
|
| – |
In the event of inhibition of ABS functions by failure.
|
| – |
During diagnostic mode.
|
| – |
When the ECU Connector is separated from ECU.
|
|
| 2. |
EBD/Parking brake Warning Lamp
The active EBD warning lamp indicates the selftest and failure status
of the EBD. However, in case the Parking Brake Switch is turned on,
the EBD warning lamp is always turned on regardless of EBD functions.The
EBD warning lamp shall be on:
| – |
During the initialization phase after IGN ON. (continuously
3 seconds).
|
| – |
When the Parking Brake Switch is ON or brake fluid level is
low.
|
| – |
When the EBD function is out of order.
|
| – |
During diagnostic mode.
|
| – |
When the ECU Connector is separated from ECU.
|
|
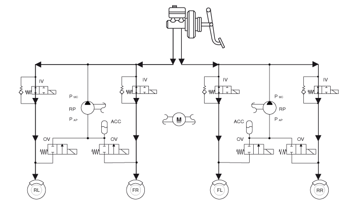
| 1. |
Normal Braking without ABS
|
Inlet valve(IV)
|
Outlet valve(OV)
|
Return pump
|
Operation
|
Open
|
Close
|
OFF
|

|
IV : Inlet Valve
OV : Outlet Valve
RL : Rear left wheel
FR : Front right wheel
FL : Front left wheel
RR : Rear right wheel
RP : Return pump
|
|
| 2. |
Decrease Mode
|
Inlet valve(IV)
|
Outlet valve(OV)
|
Return pump
|
Operation
|
Close
|
Open
|
ON(Motor speed control)
|

|
IV : Inlet Valve
OV : Outlet Valve
RL : Rear left wheel
FR : Front right wheel
FL : Front left wheel
RR : Rear right wheel
RP : Return pump
|
|
| 3. |
Hold Mode
|
Inlet valve(IV)
|
Outlet valve(OV)
|
Return pump
|
Operation
|
Close
|
Close
|
ON(Motor speed control)
|

|
IV : Inlet Valve
OV : Outlet Valve
RL : Rear left wheel
FR : Front right wheel
FL : Front left wheel
RR : Rear right wheel
RP : Return pump
|
|
| 4. |
Increase Mode
|
Inlet valve(IV)
|
Outlet valve(OV)
|
Return pump
|
Operation
|
Open
|
Close
|
ON(Motor speed control)
|

|
IV : Inlet Valve
OV : Outlet Valve
RL : Rear left wheel
FR : Front right wheel
FL : Front left wheel
RR : Rear right wheel
RP : Return pump
|
|
Components
1. ABS Control Module(HECU)
2. Front Wheel Speed Sensor
3. Rear Wheel Speed Sensor
4. ABS Warning lamp
5. EBD / Parking brake warnin ...
Circuit Diagram - ABS (1)
Circuit Diagram - ABS (2)
Circuit Diagram - ABS (3)
ECU Connector Input/Output (ABS)
...
Other information:
Kia Cee'd JD Service Manual: Master Cylinder Repair procedures
Removal [LHD]
1.
Turm ignition switch OFF and disconnect the negative (-) battery cable.
2.
Remove the battery.
(Refer to Engine Electrical system-"Battery")
3.
Remove the ECM.
...
Kia Cee'd JD Owners Manual: Theft-alarm system
Vehicles equipped with a theft alarm system
will have a label attached to the vehicle
with the following words:
1.WARNING
2. SECURITY SYSTEM
This system is designed to provide protection
from unauthorized entry into the
vehicle. This system is operated in three
stages: the first is ...